梅花鹿Waterbar®DF-12/17
Fugenband (PVC-P)苏珥Abdichtung冯Anschlussfugen bestehende Gebaude (Alt - / Neubau-Anschluss)。Klemmflansch苏珥Fixierung bestehende, wasserdichte Betonbauteile。Abdichtungsflansch苏珥Verlegung als einseitig einbetoniertes Fugenband。
- Hohe Festigkeit和Dehnung
- Dauerhaft flexibel
- 祝Verschweissbarkeit
- Kompatibel麻省理工学院艾伦梅花鹿®Fugenbandern PVC-P
Anwendung
- Abdichtung冯Bewegungsfugen (Dilatationsfugen)
- 毛皮wasserdichte Betonkonstruktionen
Vorteile
- Hohe Festigkeit和Dehnung
- Dauerhaft flexibel
- 祝Verschweissbarkeit
- Kompatibel麻省理工学院艾伦梅花鹿®Fugenbandern PVC-P
Verpackung
Rollen: |
去Abmessung |
Standardrollen: |
20米 |
Vorkonfektionierte Abschnitte: |
去计划 |
色彩
Gelb
Produktedetails
UMWELTINFORMATIONEN
- Enthalt keine夹住Weichmacher
- Enthalt keine Bleistabilisatoren
Chemische基础
PVC-P
Haltbarkeit
Im ungeoffneten Originalgebinde: 60个月ab Produktionsdatum
Lagerbedingungen
Lagertemperatur来+ 5°C + 30°C。
Rollen得在der Originalverpackung liegend,库尔和特罗肯gelagert了。
回复,Rollen得金熊奖direkte Sonneneinstrahlung Schnee和Eis等geschutzt了。
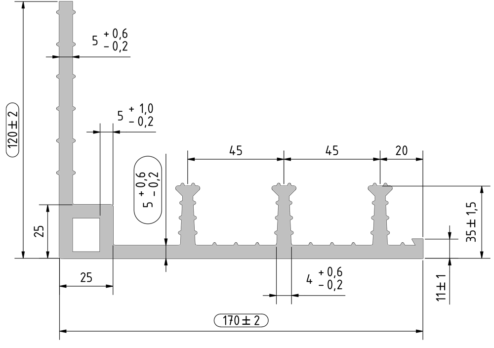
Gesamtbreite
Klemmflansch 120毫米
170毫米 |
|
Breite der Dehnteile
60毫米 |
(Breite des Hohlkorpers: 25毫米) |
迪克des Dehnteils
5毫米
Sperranker
3 * 35毫米
Systemaufbau
梅花鹿Waterbar® |
Breite |
迪克 |
Max。Wasserdruck |
Dehnung |
DF-12/17: |
170毫米 |
5.0毫米 |
10米 |
20毫米 |
岸上一个哈特
67±5 |
(DIN 53505) |
Zugfestigkeit
≥10 N /毫米2 |
(EN ISO 527 - 2) |
Dehnung
≥350% |
(EN ISO 527 - 2) |
Maximale resultierende Verformung
| vr: | 20毫米 |
| vx: | 18毫米 |
| vy: | 9毫米 |
Brandverhalten
Klasse E |
(EN ISO 11925 - 2, EN 13501 - 1) |
Chemische Bestandigkeit
Bestandig对战有Chemikalien。请Technischen Verkaufsberater der梅花鹿瑞士AG kontaktieren。
最大Wasserdruck
10米
Gebrauchstemperatur
瓦塞尔Druckendes: |
分钟。-20°C,马克斯。+ 40°C |
永远瓦塞尔druckendes: |
分钟。-20°C,马克斯。+ 60°C |
Applikation
UNTERGRUNDBESCHAFFENHEIT
Der bestehende Gebaudeteil弄乱毛穴dichten Klemmanschluss folgende Bedingungen erfullen:
- 索伯,特罗肯·费特,和olfrei keine Zementhaut奥得河losen Teile
- Druckfestigkeit mindestens N / 25毫米2,Haftzugfestigkeit mindestens 1.5 N /毫米2
- Wasserdichte Betonkonstruktion
Untergrund吵架mechanisch vorbereitet了z。b .军队Schleifen。
Zementhaut吵架vollstandig entfernt了。
不ausreichend tragfahige层和Verschmutzungen得entfernt了,这beeintrachtigen Klemmwirkung死去。Erhebungen得军队Schleifen entfernt了。
斯桃波,失去和schlecht haftende Teile得restlos entfernt了,vorzugsweise麻省理工学院einem Industriestaubsauger。
